Fate is defined by the American College Dictionary as, “fortune, destiny.” However, in life sometimes the outcome of fate is not so desirable, nor is it predetermined. This is the tale of two situations in which fate played a role in the early oil industry in the United States. The first instance had two fateful moments with very good outcomes, but the second led to some tragically unintended consequences.
Edwin Drake, 1819 – 1880. This and other historic images courtesy of the Drake Well Museum.
The Drake Well
Most people know the story of “Colonel” Edwin Drake and “Uncle Billy” Smith who drilled the oil discovery well near Titusville, Penn. in 1859 that started the modern petroleum revolution. While Drake was in charge of the operation, “Uncle Billy,” the blacksmith who made the tools, and three of his sons did the actual drilling work.
Historical plaque at the Drake Well Park in Titusville, Penn. Photo by the author.
But what many people do not know is how close this project came to failing on at least two fronts.
Col. Edward A. L. Roberts (1829-1881)
Sent by a group of investors from New Haven, Conn., led by James Townsend and from a newly formed company, the Pennsylvania Rock Oil Company/Connecticut, Drake first traveled to Titusville in December of 1857 to assess the situation there. By the time Drake and “Uncle Billy” found oil, Drake had been back in Titusville a little more than a year, having arrived with his family in May of 1858. However, the only oil Drake had produced during that time was skimmed from the local oil seeps, and hence there was scant positive cash flow. Thus, by August of 1859, the financiers in New Haven, having little or no return on their investment, had had enough. Early that month, Townsend sent Drake a letter with a check for $500, instructing him to pay off the debts, close the operation and return to New Haven. But the letter did not arrive until a few days after the discovery on Aug. 27.
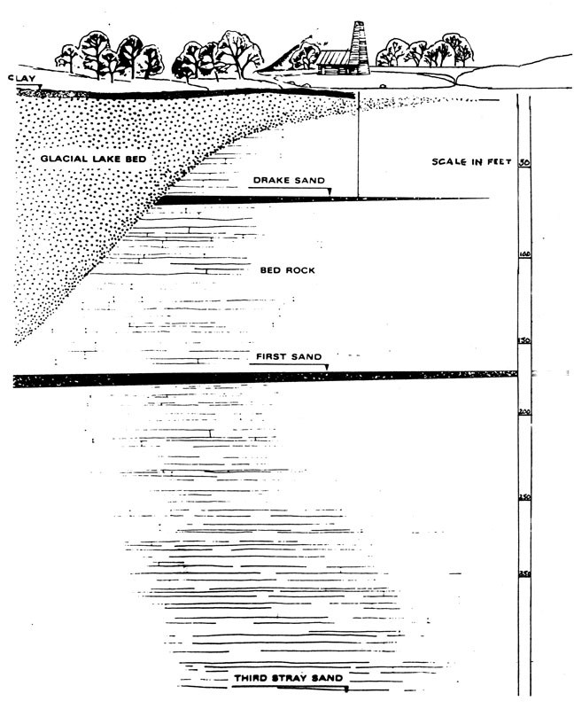
Cross-section showing limited extent of the Drake Sand
What if the mail service had been a bit faster?An important decision Drake had to make was where to put the well, and all he had to work with to make that decision was what he could see on the surface. On a small island formed by Oil Creek and a mill race, Drake noted an abundance of oil seeps. These seeps had been used to collect what little oil they were able to sell. Woolen blankets were put out on the seeps and allowed to soak up the oil, which people, frequently children, would then ring out over a barrel.
Business end of the “torpedo”
So, based on his observations of the surface oil seeps, Drake chose a site he thought would have the best chance for success. At first, the loose surface gravel and ground water kept collapsing the hole, but Drake solved this by using what is today known as “well casing.” He called it a “drive pipe” – an idea he did not patent, but that is another story. The crew drove a piece of pipe in the ground until it struck the bedrock, then did their drilling through the pipe. Remember, however, that their “drilling” was percussive, not rotary as is in use today. The bit was lifted and dropped, lifted and dropped, over and over, which simply broke and pulverized the rock. The bit would then be swapped for a special tool, called a “bailer,” which then brought the broken material to the surface. The “bailer” was simply a piece of pipe with a one-way valve at the bottom. When the “bailer” touched the bottom of the hole, the valve was pushed open so that mud and cuttings could flow inside. Then when the tool was lifted, the valve closed, trapping the material inside the tube. This collection of mud and rock chips was often dumped into a pit next to the derrick.
William “Uncle Billy” Smith, 1812 – 1890.
Smith and his sons continued the operation until they were down about 69 feet when the bit suddenly dropped about six inches. As it was near the end of the day, and as it was Saturday, Smith decided to stop early. Although there was no work on Sunday, Smith’s curiosity got the better of him and he went out to check the well, discovering that there was oil, mixed with saltwater, in the pipe.
Map showing the 3.5-acre Fuller Farm along the Allegheny River, the location of the drilling in 1864. Courtesy of the American Oil and Gas Historical Society.
They had done it!
It was not a flowing well, but with a pump, it did produce several barrels a day, which was far better production than obtained by skimming the oil with blankets.
James Mulford Townsend (1825-1901)
However, what Drake did not know, and had no way of knowing at that time, was that the drilling had struck a small sandstone lens, now called the Drake Sand, at 69 and a half feet. If he had selected a site only a few tens of feet in almost any direction, he would have missed this small lens. The next oil-bearing horizon, which was more than 100 feet lower, would have required much more drilling. But by then the letter from New Haven would have arrived telling them to close up shop – there would have been no Drake Well, and someone else might have drilled the well to kick off the Age of Petroleum.
Pouring nitroglycerine into a “torpedo”
A Frac Job Gone Wrong
The tragic example of the interruption of fate came as soon as the word spread of Drake’s discovery. Oil fever hit that region of Pennsylvania and wells were put down everywhere, even in the middle of Oil Creek. By the early 1860s, during the American Civil War, there were many wells in the vicinity of Franklin, a town not too far south of Titusville, at the confluence of the Allegheny River and French Creek. Franklin was the site of Pennsylvania’s third oil gusher when, in 1860, a blacksmith named James Evans dug a well for water and found oil instead. Within two years, Franklin emerged as the center of an oil region producing more than 2 million barrels annually. Some wells in the area, such as the Little & Merrick Well, produced as much as 3,000 barrels a day, and another well drilled by William Philips in October of 1861, came in at 4,000 barrels per day. With oil selling at anywhere from $5 to $25 per barrel, there was money to be made. And on top of that, the Franklin area crude oil was different from that found around Titusville. This crude required very little refining to become an excellent lubricant, hence it commanded a premium price.
Children oil-dippers, circa 1860
With the oil money flowing, Franklin had built a theater that was very popular and produced many live-action plays. A young actor from a very well-known acting family was in Franklin in January 1864 doing a series of performances. He heard about an oil venture that was raising money to drill a well. It sounded like a golden – or perhaps a black-golden opportunity to make some money, so he invested at least $6,000 in what was called “Dramatic Oil,” but then renamed the “Fuller Farm Oil Company” after its location. In today’s money that would be over $100,000, which was no small investment.
President Abraham Lincoln (1809 - 1865). Photo by Alexander Gardner.
The well was called the Wilhelmina Well (named for the wife of Thomas Mears, one of the other investors). It was soon completed at a depth of 1,900 feet and it produced about 25 barrels of oil per day – a good flow, but a much lower production rate than the investors wanted.
John Wilkes Booth (1838-1865)
Several wells in the area had been rejuvenated by the new process of using a “torpedo.” This process simply utilized a tall thin tube, filled it with nitroglycerine and then lowered the torpedo down the hole. It had only recently been patented by Colonel Edward A. L. Roberts. Often the well casing was filled with water to help concentrate the explosive force. Once the tube was in place, a crew member would drop a weight called the “go-devil” down the hole, and “go like the devil” to get off the platform before the weight hit the blasting cap on top of the nitro-filled tube. The subsequent explosion then fractured the surrounding rock which, most of the time, allowed the oil to flow more freely. Sometimes productivity was increased up to 1,200 percent. (And sometimes the explosion was premature and workers were killed.) The process was known as “shooting the well,” and it was a precursor of modern hydraulic fracturing.
A lithograph print depicting the assassination of Abraham Lincoln, April 14, 1865
The owners of the Wilhelmina Well decided to use a torpedo to improve production, but the results were not what was expected. The well totally collapsed and never produced another drop of oil. All the investments, including that of the young actor, became worthless.
At that point he lost interest in oil and he left Franklin in late 1864, eventually ending up in Washington, D.C. in the spring of 1865. That young actor was John Wilkes Booth, a Confederate sympathizer, and on the evening of April 14, 1865, Booth shot and killed President Abraham Lincoln.
How different the world might have been if the frac job in Franklin had been successful.